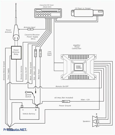
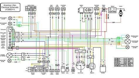
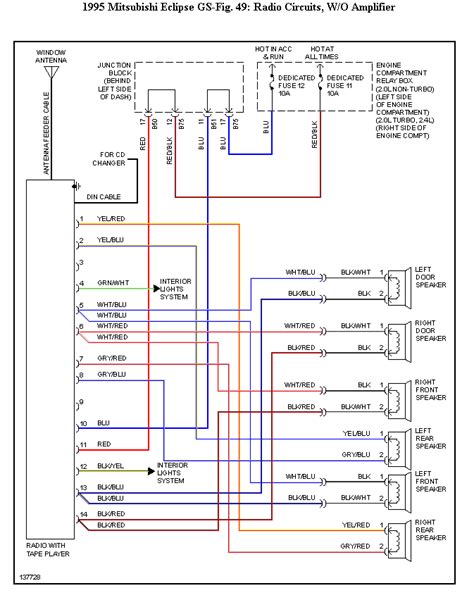
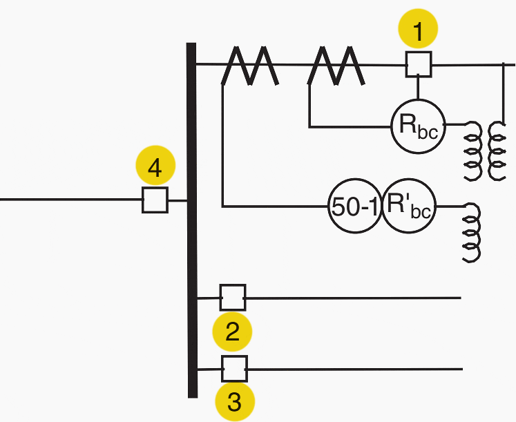
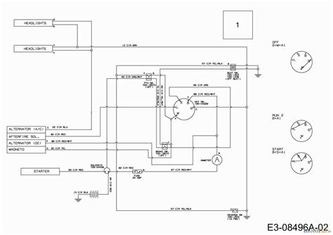
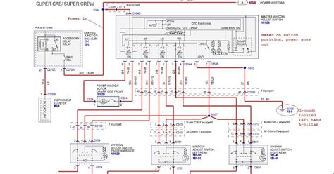
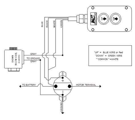
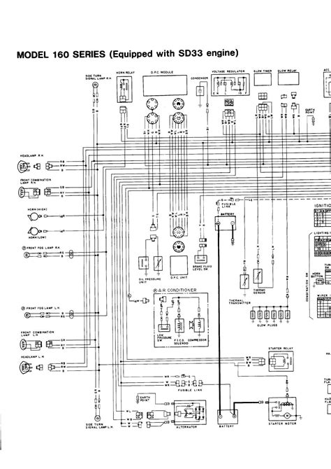
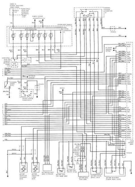
Razor Electric Scooter Wiring Diagram: Fix Your Ride Fast! electric scooter wiring diagram collection